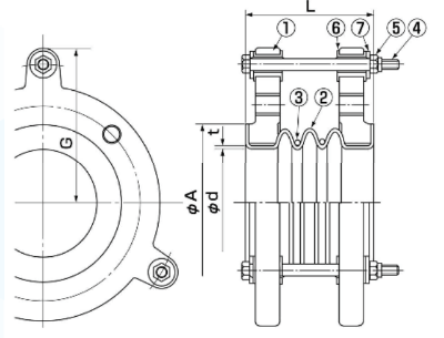
Dimension
| Nominal Dia. | Dimension [mm] | Mass [Kg] | Allowable Movement [mm] | Installation Tolerances [mm] | ||||||||||
| mm | inch | L | Ød | T | G | Eccentricity | Elongation | Compression | Deffection angle | Eccentricity | Elongation | Compression | Deffection angle | |
| 20 | 3/4 | 44 | 25 | 1.5 | 141.2 | 1.3 | 6 | 13 | 13 | 14° | 3 | 3 | 3 | 5° |
| 25 | 1 | 44 | 25 | 1.5 | 166.2 | 1.6 | 6 | 13 | 13 | 14° | 3 | 3 | 3 | 5° |
| 32 | 1 1/4 | 49 | 32 | 1.5 | 176.2 | 1.8 | 6 | 13 | 13 | 14° | 3 | 3 | 3 | 5° |
| 40 | 1 1/2 | 51 | 38 | 1.5 | 181.2 | 2.0 | 6 | 13 | 13 | 14° | 3 | 3 | 3 | 5° |
| 50 | 2 | 68 | 49 | 2.0 | 202.6 | 3.1 | 10 | 19 | 19 | 14° | 4 | 3 | 3 | 5° |
| 65 | 2 1/2 | 77 | 63 | 2.0 | 229.0 | 4.1 | 10 | 19 | 19 | 14° | 4 | 3 | 3 | 5° |
| 80 | 3 | 85 | 73 | 2.0 | 242.2 | 4.2 | 13 | 25 | 25 | 14° | 5 | 5 | 5 | 5° |
| 100 | 4 | 85 | 97 | 2.5 | 257.6 | 5.9 | 13 | 25 | 25 | 14° | 5 | 5 | 5 | 5° |
| 125 | 5 | 100 | 119 | 2.5 | 319.9 | 11 | 13 | 25 | 25 | 14° | 5 | 5 | 5 | 5° |
| 150 | 6 | 100 | 145 | 2.5 | 349.9 | 13 | 14 | 29 | 29 | 14° | 6 | 6 | 6 | 5° |
| 200 | 8 | 133 | 196 | 2.5 | 393.6 | 19 | 14 | 29 | 29 | 14° | 6 | 6 | 6 | 5° |
| 250 | 10 | 170 | 244 | 3.0 | 469.8 | 25 | 14 | 29 | 29 | 14° | 6 | 6 | 6 | 5° |
| 300 | 12 | 190 | 292 | 3.0 | 528.0 | 30 | 14 | 29 | 29 | 14° | 6 | 6 | 6 | 5° |
T.M. = Transverse Movement A.E. = Axial Elongation A.C. = Axial Compression A.M. = Angular Movement
- Mass is the data when material is FCD,and flange is JIS10K flange.
- Use a joint within the range of allowable displacement
- Fixing allowable dimension is included in allowable displacement
(allowable displacement = fixing time
displacement + operating displacement). - Each displacement in chart are data of single displacement, so for multiple displacement,correction is
necessary. For correction
method, refer to “Attention for handling or “TOZEN HP”. - Referring to “fixing bolt dimension table”, and use fixing bolt. Nut is not necessary. (When companion flange is
JIS10K, material
is SS400, and when plain washer and gasket are not used.)
Note:
This brochure may be revised without prior notice. We apologize in advance for any
inconvenience this may cause.








