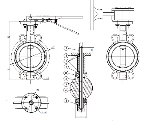
Spesification
Materials
| Part | Material | BS |
|---|---|---|
| Body | Stainless Steel 304 Stainless Steel 316 | 304 C15 316 C16 |
| Disc | Ductile Iron Aluminium Bronze Stainless Steel 304 Stainless Steel 316 | Gr. 420/12 1400 AB2 304 C15 316 C16 |
| Seat Ring | EPDM NBR PTFE Viton | |
| Shaft | Stainless Steel 410 Stainless Steel 431 Stainless Steel 316 | 410 S21 431 S29 316 S16 |
Pressure/Temperature Ratings
| Working Pressure | 16 bar |
| Testing Pressure | Shell: 24 bar Seat: 17.6 bar |
| Working Temperature | 5°C to 120°C (PTFE Seat) -10°C to 135°C (Viton Seat) |
| Suitable Media | Water, Gas & Oil |








